- Úvod
- Katalog
- Wibroizolatory
- Wibroizolator Typu B
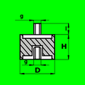
- Wibroizolator B - D75 - H52 - M12/33mm x M12
- Numer katalogowy: 341497
- Nomenklatura celna: 40169952
Wibroizolator B - D75 - H52 - M12/33mm x M12
Specyfikacja
- Materiał:
- NK(NR)
- Typ:
- B
- Twardość (Sh A):
- 55 (+/-5)
- Wymiar 1:
- D75 - H52
- Wymiar 2:
- M12/33mm x M12
- Średnica wewnętrzna (d) (mm):
- 0,00
- Średnica zewnętrzna (D) (mm):
- 75,00
- Wysokość (H) (mm):
- 52,00
- Gwint (g):
- M12
- Długość gwintu (I) (mm):
- 33
+420 777 666 555
(Pn‐Pt 7:00‐15:15)
Warianty produktu
4727 wariantówOstatnio odwiedzane produkty
4 produkty
245613
O-ring NBR 70 Sh - 7 x 1
W magazynie
od € 0,003 / szt.
od € 0,004 z VAT
1 szt.
€ 0,007
€ 0,007
od 1.000 szt.
€ 0,005
€ 0,005
od 2.000 szt.
€ 0,003
€ 0,003















