- Úvod
- Katalog
- Wibroizolatory
- Wibroizolator Typ B
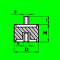
- Wibroizolator B - D12 - H19 - M4/8mm x M4
- Numer katalogowy: 337750
- Taryfa celna: 40169952
Wibroizolator B - D12 - H19 - M4/8mm x M4
Specyfikacja
- Materiał:
- NK(NR)
- Typ:
- B
- Twardość (Sh A):
- 55 (+/-5)
- Wymiar 1:
- D12 - H19
- Wymiar 2:
- M4/8mm x M4
- Średnica wewnętrzna (d) (mm):
- 0,00
- Średnica zewnętrzna (D) (mm):
- 12,00
- Wysokość (H) (mm):
- 19,00
- Gwint (g):
- M4
- Długość gwintu (I) (mm):
- 8
+420 777 666 555
(Pn‐Pt 7:00‐15:15)
Warianty produktu
4727 wariantówOstatnio oglądane produkty
10 produktów




















