- Úvod
- Katalog
- Wibroizolatory
- Wibroizolator Typ B
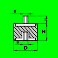
- Wibroizolator B - D13 - H13 - M6/18mm x M6
- Numer katalogowy: 337829
- Taryfa celna: 40169952
Wibroizolator B - D13 - H13 - M6/18mm x M6
Specyfikacja
- Materiał:
- NK(NR)
- Typ:
- B
- Twardość (Sh A):
- 55 (+/-5)
- Wymiar 1:
- D13 - H13
- Wymiar 2:
- M6/18mm x M6
- Średnica wewnętrzna (d) (mm):
- 0,00
- Średnica zewnętrzna (D) (mm):
- 13,00
- Wysokość (H) (mm):
- 13,00
- Gwint (g):
- M6
- Długość gwintu (I) (mm):
- 18
+420 777 666 555
(Pn‐Pt 7:00‐15:15)
Warianty produktu
4727 wariantówOstatnio oglądane produkty
2 produkty
374614
Hexagon nut DIN934 A2 - M27
Do 14 dni
od € 2,128 / szt.
od € 2,576 z VAT
1 szt.
€ 4,318
€ 4,318
od 25 szt.
€ 3,102
€ 3,102
od 75 szt.
€ 2,129
€ 2,129













