- Úvod
- Katalog
- Wibroizolatory
- Wibroizolator Typu B
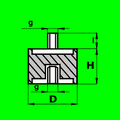
- Wibroizolator B - D30 - H13 - M6/18mm x M6
- Numer katalogowy: 338806
- Nomenklatura celna: 40169952
Wibroizolator B - D30 - H13 - M6/18mm x M6
Specyfikacja
- Materiał:
- NK(NR)
- Typ:
- B
- Twardość (Sh A):
- 55 (+/-5)
- Wymiar 1:
- D30 - H13
- Wymiar 2:
- M6/18mm x M6
- Średnica wewnętrzna (d) (mm):
- 0,00
- Średnica zewnętrzna (D) (mm):
- 30,00
- Wysokość (H) (mm):
- 13,00
- Gwint (g):
- M6
- Długość gwintu (I) (mm):
- 18
+420 777 666 555
(Pn‐Pt 7:00‐15:15)
Warianty produktu
4727 wariantówOstatnio odwiedzane produkty
2 produkty
W magazynie
od € 2,142 / szt.
od € 2,592 z VAT
1 szt.
€ 5,356
€ 5,356
od 10 szt.
€ 3,826
€ 3,826
od 20 szt.
€ 2,143
€ 2,143













