- Úvod
- Katalog
- Wibroizolatory
- Wibroizolator Typu B
- Wibroizolator B - D70 - H45 - M8/20mm x M8
- Numer katalogowy: 341029
- Nomenklatura celna: 40169952
Wibroizolator B - D70 - H45 - M8/20mm x M8
Specyfikacja
- Materiał:
- NK(NR)
- Typ:
- B
- Twardość (Sh A):
- 55 (+/-5)
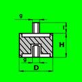
- Wymiar 1:
- D70 - H45
- Wymiar 2:
- M8/20mm x M8
- Średnica wewnętrzna (d) (mm):
- 0,00
- Średnica zewnętrzna (D) (mm):
- 70,00
- Wysokość (H) (mm):
- 45,00
- Gwint (g):
- M8
- Długość gwintu (I) (mm):
- 20
+420 777 666 555
(Pn‐Pt 7:00‐15:15)
Warianty produktu
4727 wariantówOstatnio odwiedzane produkty
10 produktów




















