- Úvod
- Katalog
- Wibroizolatory
- Wibroizolator Typu B
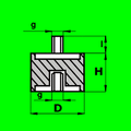
- Wibroizolator B - D75 - H55 - M12/23mm x M12
- Numer katalogowy: 341525
- Taryfa celna: 40169952
Wibroizolator B - D75 - H55 - M12/23mm x M12
Specyfikacja
- Materiał:
- NK(NR)
- Typ:
- B
- Twardość (Sh A):
- 55 (+/-5)
- Wymiar 1:
- D75 - H55
- Wymiar 2:
- M12/23mm x M12
- Średnica wewnętrzna (d) (mm):
- 0,00
- Średnica zewnętrzna (D) (mm):
- 75,00
- Wysokość (H) (mm):
- 55,00
- Gwint (g):
- M12
- Długość gwintu (I) (mm):
- 23
+420 777 666 555
(Pn‐Pt 7:00‐15:15)
Warianty produktu
4727 wariantówOstatnio oglądane produkty
1 produkt
246428
O-ring NBR 70 Sh - 5 x 2
W magazynie
od € 0,002 / szt.
od € 0,003 z VAT
1 szt.
€ 0,006
€ 0,006
od 1.000 szt.
€ 0,005
€ 0,005
od 2.000 szt.
€ 0,003
€ 0,003












