- Úvod
- Katalog
- Wibroizolatory
- Wibroizolator Typu B
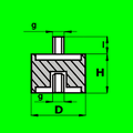
- Wibroizolator B - D75 - H60 - M12/12mm x M12
- Numer katalogowy: 341553
- Taryfa celna: 40169952
Wibroizolator B - D75 - H60 - M12/12mm x M12
Specyfikacja
- Materiał:
- NK(NR)
- Typ:
- B
- Twardość (Sh A):
- 55 (+/-5)
- Wymiar 1:
- D75 - H60
- Wymiar 2:
- M12/12mm x M12
- Średnica wewnętrzna (d) (mm):
- 0,00
- Średnica zewnętrzna (D) (mm):
- 75,00
- Wysokość (H) (mm):
- 60,00
- Gwint (g):
- M12
- Długość gwintu (I) (mm):
- 12
+420 777 666 555
(Pn‐Pt 7:00‐15:15)
Warianty produktu
4727 wariantówOstatnio oglądane produkty
10 produktów




















