- Úvod
- Katalog
- Wibroizolatory
- Wibroizolator Typ B
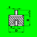
- Wibroizolator B - D80 - H40 - M10/25mm x M10
- Numer katalogowy: 341724
- Taryfa celna: 40169952
Wibroizolator B - D80 - H40 - M10/25mm x M10
Specyfikacja
- Materiał:
- NK(NR)
- Typ:
- B
- Twardość (Sh A):
- 55 (+/-5)
- Wymiar 1:
- D80 - H40
- Wymiar 2:
- M10/25mm x M10
- Średnica wewnętrzna (d) (mm):
- 0,00
- Średnica zewnętrzna (D) (mm):
- 80,00
- Wysokość (H) (mm):
- 40,00
- Gwint (g):
- M10
- Długość gwintu (I) (mm):
- 25
+420 777 666 555
(Pn‐Pt 7:00‐15:15)
Warianty produktu
4727 wariantówOstatnio oglądane produkty
1 produkt











