- Úvod
- Katalog
- Wibroizolatory
- Wibroizolator Typ B
- Wibroizolator B - D80 - H70 - M12/18mm x M12
- Numer katalogowy: 341836
- Taryfa celna: 40169952
Wibroizolator B - D80 - H70 - M12/18mm x M12
Specyfikacja
- Materiał:
- NK(NR)
- Typ:
- B
- Twardość (Sh A):
- 55 (+/-5)
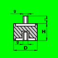
- Wymiar 1:
- D80 - H70
- Wymiar 2:
- M12/18mm x M12
- Średnica wewnętrzna (d) (mm):
- 0,00
- Średnica zewnętrzna (D) (mm):
- 80,00
- Wysokość (H) (mm):
- 70,00
- Gwint (g):
- M12
- Długość gwintu (I) (mm):
- 18
Na zamówienie
€ 11,400 / szt.
€ 13,794 z VAT
Masz szczególne wymaganie?
+420 777 666 555
(Pn‐Pt 7:00‐15:15)
Warianty produktu
4727 wariantówOstatnio oglądane produkty
1 produkt











